EQUALIZING MACHINE OTP
No longer available

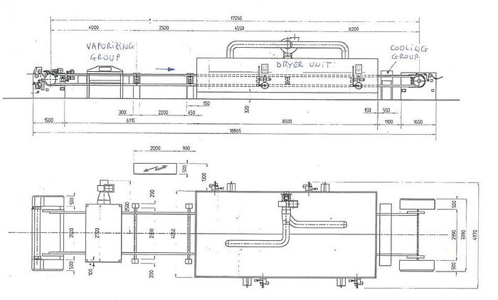
Description
-Dryer unit: no.4 chambers, 2 mt./each. Total length of the dryer 8 mt. -Heating system: no.4 gas burners -Chain: vertichal type, pins and clips -Steaming-vaporizing unit at the entry -Air cooling group at the exit -Electric control panel with PLC and inverter
Specifications
| Manufacturer | EQUALIZING MACHINE OTP |
| Year | 2003 |
| Width | 2000 mm |
| Type of Heating | GAS |






